
Envoyez-nous un courriel
sale@lscmagnetics.com
Numéro de contact
+86 -13559234186
Le séparateur électromagnétique à sec de la série RCDB (également appelé séparateur électromagnétique à disque de la série PDC) est largement utilisé dans les secteurs minier, de la production d'énergie, de la métallurgie, du ciment, des matériaux de construction, de la chimie, de la céramique et du traitement du verre. Généralement suspendu au-dessus d'un convoyeur, l'appareil génère un puissant champ magnétique lorsqu'il est alimenté. Au passage des matériaux sur le convoyeur, les particules ferreuses – clous, vis, scories et fragments de fer divers – sont instantanément attirées par la surface du pôle magnétique grâce à la forte force magnétique. Une fois l'appareil hors tension ou retiré, le fer capturé se détache automatiquement, achevant ainsi le cycle de séparation.
Numéro d'article :
RCDB Suspended Electromagnetic SeparatorCommande (MOQ) :
1Origine du produit :
chinaDélai de mise en œuvre :
7-10daysSéparateur électromagnétique suspendu RCDB
Dans la production industrielle moderne, les impuretés ferreuses présentes dans les matériaux compromettent non seulement la qualité des produits, mais constituent également une menace sérieuse pour les équipements en aval, tels que les concasseurs, les broyeurs et les convoyeurs. Le séparateur électromagnétique suspendu de fer de la série RCDB est précisément le dispositif industriel conçu pour éliminer ces impuretés et protéger les équipements. Alimenté par un champ électromagnétique à courant continu, cet appareil extrait le fer à distance, capturant et éliminant avec précision les contaminants ferreux des matériaux non magnétiques, tout en garantissant la pureté des produits et la sécurité des équipements.


I. Séparateur électromagnétique RCDB : Double protection pour la purification du produit et la sécurité de l’équipement
La valeur fondamentale du dépoussiéreur électromagnétique RCDB réside dans deux fonctions essentielles :
Purification des matériaux : Ce procédé élimine efficacement les impuretés ferreuses des matières premières, améliorant ainsi la qualité et la pureté du produit. Il est essentiel dans les industries de la céramique, du verre, de l’agroalimentaire, de la chimie et autres secteurs où l’obtention d’un produit exempt de contaminants est impérative.
Protection des équipements : Installé en amont des concasseurs, des presses à rouleaux et autres machines essentielles, le RCDB empêche les objets ferreux d’endommager les équipements et évite la déchirure longitudinale des bandes transporteuses. Il agit véritablement comme un bouclier protecteur pour les machines de concassage.
II. Principaux avantages techniques et innovations
Ce qui distingue la série RCDB, c'est sa technologie de base avancée et sa construction robuste.
1. Circuit magnétique optimisé par ordinateur – Pénétration profonde et intensité de champ élevée
Le circuit magnétique du RCDB est conçu avec précision par simulation informatique, ce qui permet une distribution optimale du champ magnétique, une pénétration magnétique profonde et un gradient élevé garantissant une force d'attraction maximale, même avec des écartements importants. L'appareil capture efficacement des pièces ferreuses de 0,1 kg à 35 kg mélangées à des matériaux non magnétiques, avec un taux d'élimination du fer supérieur à 95 %. Qu'il s'agisse de fines limailles de fer ou de gros déchets mécaniques, le RCDB les traite sans difficulté.
2. Structure entièrement étanche et autorefroidissante – Conçue pour les conditions extrêmes
La série RCDB se distingue par son boîtier en acier entièrement soudé et étanche. La bobine et le boîtier sont collés à l'aide d'une résine époxy coulée sous vide, tandis que l'intérieur est moulé avec une résine isolante spéciale de qualité électrique, formant ainsi une structure autorefroidissante parfaitement étanche. Cette conception offre une excellente étanchéité à l'eau et à la poussière, ainsi qu'une résistance optimale à la corrosion, permettant un fonctionnement continu et fiable même dans les environnements les plus exigeants, tels que les mines, les usines métallurgiques et les centrales thermiques à forte concentration de poussières. Grâce à un nombre réduit de points de défaillance potentiels, la maintenance est simple et économique.
3. Contrôle avancé de l'élévation de température – Durée de vie prolongée
Le RCDB intègre une technologie de pointe de contrôle de l'échauffement. Tout en maintenant constants les ampères-tours (I·N), le nombre de spires de la bobine est augmenté et la densité de courant réduite, ce qui diminue considérablement la production de chaleur. Ceci permet de contrôler efficacement l'échauffement et d'allonger sensiblement la durée de vie du dispositif. Des matériaux isolants haute performance et un remplissage d'oxyde de magnésium sont également utilisés, offrant une excellente isolation et une dissipation thermique optimale. De ce fait, le RCDB atteint une réduction remarquable de 19,1 % de l'échauffement, tandis que l'intensité de son champ magnétique augmente de 43 % en conditions de fonctionnement à haute température.
4. Large gamme de modèles et options magnétiques ultra-puissantes
La série RCDB propose une large gamme de modèles, compatibles avec des largeurs de bande de 300 mm à 2 000 mm et des puissances d'excitation de 0,4 kW à 18 kW, garantissant ainsi une solution adaptée à quasiment toutes les lignes de production. De plus, des versions magnétiques ultra-puissantes, dépassant les spécifications standard, sont disponibles : les modèles T1 délivrent 90 mT, les modèles T2 120 mT et les modèles T3 une puissance de 150 mT, répondant aux exigences d'élimination du fer les plus strictes.
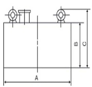
![]() ![]() | |||||||||||
| Modèle | Largeur de la courroie (mm) | Hauteur de suspension (h=mm) | Profondeur du matériau (≤mm) | Intensité magnétique (≥mT) | Puissance motrice (≤Kw) | vitesse de la courroie | Mode de fonctionnement | Poids (kg) | Taille apparente (mm) | ||
| ≤ m/s | A | B | C | ||||||||
| RCDB-4 | 400 | 120 | 70 | 50 | 0,6 | 4.5 | continu | 250 | 500 | 240 | 280 |
| RCDB-5 | 500 | 150 | 100 | 60 | 1 | 430 | 600 | 250 | 310 | ||
| RCDB-6 | 600 | 180 | 130 | 63 | 1.6 | 580 | 610 | 270 | 340 | ||
| RCDB-6.5 | 650 | 200 | 150 | 70 | 2 | 680 | 720 | 270 | 340 | ||
| RCDB-8 | 800 | 250 | 200 | 70 | 3.6 | 950 | 960 | 275 | 335 | ||
| RCDB-10 | 1000 | 300 | 250 | 70 | 5 | 1520 | 1200 | 320 | 420 | ||
| RCDB-12 | 1200 | 350 | 300 | 70 | 6.8 | 2250 | 1400 | 370 | 470 | ||
| RCDB-14 | 1400 | 400 | 350 | 70 | 9 | 2950 | 1650 | 405 | 500 | ||
| RCDB-16 | 1600 | 450 | 400 | 70 | 13 | 4800 | 1900 | 460 | 560 | ||
| RCDB-18 | 1800 | 500 | 450 | 70 | 18 | 6900 | 2150 | 570 | 630 | ||
| RCDB-20 | 2000 | 500 | 500 | 70 | 20 | 7500 | 2300 | 580 | 680 | ||
5. Capacités de contrôle et d'automatisation flexibles
Le système RCDB offre des options de contrôle flexibles, permettant le fonctionnement alterné de deux séparateurs ou une excitation intermittente pour maintenir des performances optimales à froid grâce à une force d'attraction magnétique stable et puissante. Compatible avec la programmation PLC pour une décharge de fer automatisée et temporisée, il propose en option des alarmes sonores, la surveillance de la température de la bobine et des dispositifs de pesage déclenchant une décharge prioritaire et une alarme en cas de dépassement des limites de charge, répondant ainsi pleinement aux exigences d'une production moderne et intelligente.

1. Montage
Fixez le séparateur magnétique suspendu rond de type sec au-dessus de votre convoyeur ou système d'alimentation à l'aide des supports fournis.
2. Raccordement électrique
Raccordez-vous à l'alimentation 220 V/380 V de votre installation ; aucun circuit de refroidissement supplémentaire n'est requis.
3. Démarrage
Mise sous tension via le panneau de commande intelligent : le système effectue un autotest puis passe en mode prêt.
4. Contrôles de routine
Contrôler la température de la bobine et la tension de la courroie toutes les 1 000 heures de fonctionnement ; maintenance minimale requise grâce au déchargement automatique du fer.
III. Applications industrielles très variées
Grâce à son efficacité exceptionnelle d'élimination du fer et à sa conception robuste, la série RCDB joue un rôle indispensable dans de nombreux secteurs d'activité :
- Exploitation minière du charbon et production d'énergie thermique – Élimine les contaminants ferreux du charbon sec et du coke, protégeant ainsi les concasseurs et les broyeurs.
- Métallurgie et exploitation minière – Améliore l'élimination et la récupération du fer lors du traitement du minerai de fer, du concentré de cuivre et d'autres minéraux.
- Ciment et matériaux de construction – Positionnés en amont des presses à rouleaux et des broyeurs verticaux pour éviter les dommages et assurer une production stable.
- Produits chimiques et verre – Élimine les impuretés de fer des matières premières chimiques et verrières, améliorant ainsi la pureté du produit final.
- Céramiques et matériaux réfractaires – Filtre les substances ferromagnétiques des abrasifs et des réfractaires, garantissant ainsi la qualité du produit fini.
- Traitement des déchets solides et protection de l'environnement – Récupération du fer contenu dans les déchets solides domestiques et industriels, favorisant le recyclage des ressources.
- Transformation des aliments et du bois – Élimine les contaminants ferreux des matières premières, garantissant la sécurité alimentaire et la qualité des produits en bois.

IV. Perspectives du marché et trajectoire de croissance
Avec les progrès de l'automatisation industrielle et le renforcement des réglementations environnementales à l'échelle mondiale, les équipements de séparation électromagnétique prennent une importance croissante. Le marché mondial des séparateurs électromagnétiques à bande interdite (RCDB) était évalué à environ 151 millions de dollars en 2024 et devrait atteindre 192 millions de dollars d'ici 2031, soit une croissance annuelle composée (TCAC) de 3,5 %. Le marché plus large des séparateurs magnétiques était évalué à 1,40 milliard de dollars en 2025 et devrait atteindre 2,21 milliards de dollars d'ici 2032, soit une TCAC de 6,69 %. La Chine, en particulier, représente un marché en forte croissance, et les fabricants chinois de RCDB étendent activement leur présence à l'international, notamment en Asie du Sud-Est, au Moyen-Orient, en Europe et sur le continent américain.
Dans ce paysage en constante évolution, la série RCDB se distingue par sa construction entièrement étanche de pointe, ses circuits magnétiques optimisés par ordinateur et son contrôle de température supérieur.

V. Pourquoi choisir le séparateur électromagnétique à fer suspendu RCDB ?
La série RCDB représente la référence en matière d'élimination industrielle du fer, offrant :
- Puissance magnétique inégalée – pénétration profonde et gradient élevé.
- Une structure fiable et entièrement étanche – imperméable à l'eau, à la poussière et résistante à la corrosion.
- Contrôle avancé de l'élévation de température – performances stables à long terme.
- Grande adaptabilité – convient à une large gamme de largeurs de courroies, de types de matériaux et de conditions environnementales.
- Options d'automatisation flexibles – fonctionnement intelligent et nécessitant peu d'entretien.
FAQ
1. Quels sont les principaux paramètres techniques du RCDB ? Quelle est son efficacité pour l’élimination du fer ?
Ses paramètres techniques varient selon le modèle, mais les principaux indicateurs sont la bande passante, la hauteur de suspension et l'intensité du champ magnétique. Côté performances, il permet d'éliminer efficacement des matériaux ferromagnétiques pesant entre 0,1 et 35 kg, avec un taux d'élimination du fer généralement supérieur à 95 %.
2. Comment déterminer si l'attraction magnétique du séparateur magnétique s'est affaiblie ? Que faire ?
Si vous constatez une diminution de l'attraction magnétique du séparateur magnétique, vérifiez d'abord si sa hauteur de suspension ou son angle d'inclinaison ont changé. Le cas échéant, ajustez-les sans tarder. Par ailleurs, un fonctionnement continu prolongé de l'appareil peut entraîner une augmentation de sa température, ce qui peut également réduire l'intensité du champ magnétique et affecter son efficacité d'élimination magnétique.
3. Lorsque l'équipement ne s'allume pas ou n'a pas de force d'aspiration après la mise sous tension, comment devez-vous dépanner ?
Lorsqu'un équipement ne s'allume pas ou n'a pas de force d'aspiration après sa mise sous tension, les premiers éléments à vérifier sont :
Vérifiez s'il y a un circuit ouvert dans l'enroulement de la bobine.
Vérifiez que le câble de connexion entre l'armoire de commande et le séparateur magnétique est bien en contact.
4. Comment choisir le modèle approprié (par exemple, RCDB-6, RCDB-10, etc.) ?
Le choix du modèle dépend principalement de deux facteurs : la taille maximale des particules et l’épaisseur de la couche de matériau, ainsi que la vitesse et la largeur du convoyeur. Par exemple, les modèles RCDB-3 à RCDB-6 utilisent des potentiomètres pour un réglage précis de l’excitation, tandis que les modèles RCDB-6.5 et supérieurs utilisent des prises de transformateur pour ajuster la puissance de fonctionnement. Il est recommandé de fournir au fournisseur les paramètres de fonctionnement détaillés avant l’achat afin d’obtenir une recommandation de modèle précise.
ÉTIQUETTES :